
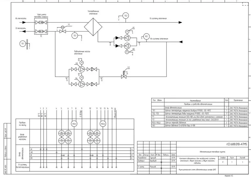
Московский завод тепловой автоматики предлагает воспользоваться типовыми проектами автоматизации. В разделе «Решения» на сайте МЗТА представлены наиболее часто применяемые на практике проекты автоматизации и диспетчеризации инженерных систем и техпроцессов. В десяти разделах приведены функциональные и электрические схемы, эскизы и компоновка щитов автоматизации, спецификация оборудования и материалов. Всего выложено более 100 типовых проектов: системы отопления, тепловые пункты, водогрейные котлы, общекотельная автоматика, системы горячего и холодного водоснабжения, вентиляция и кондиционирование, насосные станции, а также проекты для отдельных систем. Решения многократно обкатаны и проверены — именно потому они вошли в категорию типовых проектов.
Вся документация находится в открытом доступе и скачивается бесплатно.


Безусловно, каждое решение для отдельно взятого объекта индивидуально, тем не менее проектировщики могут взять существенную часть документации и сэкономить время на разработку и согласование.
Проекты выполнены на базе программируемых логических контроллеров (ПЛК) производства МЗТАВ решениях задействованы ПЛК двух серий: Комега Basic и КОНТАР.

Предлагаемые системы обеспечивают управление, контроль, регулирование технологических параметров, а также оповещение о неисправностях. Типовые проекты позволяют производить масштабирование и модернизацию систем.
Разработка проектов произведена с соблюдением всех необходимых нормативных документов, в частности: ГОСТ 21.404-85 «Автоматизация технологических процессов»; ГОСТ 21.408-93 «Правила выполнения рабочей документации автоматизации технологических процессов»; ГОСТ 21.110-95 «Правила выполнения спецификаций оборудования, изделий и материалов»; СНиП 3.05.07-85 «Системы автоматизации»; СП 41-101-95 «Проектирование тепловых пунктов»; СНиП 41-01-2003 «Отопление, вентиляция и кондиционирование».
Технические решения соответствуют требованиям экологических, санитарно-гигиенических, противопожарных и других норм, обеспечивают безопасную для жизни и здоровья людей эксплуатацию объектов.
Заметим также, что помимо типовых проектов заказчикам зачастую требуется индивидуальный подход — в этом случае Московский завод тепловой автоматики предлагает услуги компании «МЗТА Инжиниринг», обладающей штатом квалифицированных инженеров, всеми необходимыми лицензиями и готовой реализовать нестандартные технические решения, ряд из которых приведен в референс-листе.
Кстати, а вы знали, что на «Сделано у нас» статьи публикуют посетители, такие же как и вы? И никакой премодерации, согласований и разрешений! Любой может добавить новость. А лучшие попадут в наш Телеграм @sdelanounas_ru. Подробнее о том как работает наш сайт здесь👈
Комментарии 0