3-х фазный диодный мост ДМ3.3-50-16, отечественный аналог MTS 50.16 SS5 — 50A 1600V SCOMES
Ограничительные меры со стороны недружественных стран способствуют бурному развитию машиностроения и приборостроения в РФ, но для достижения полного технологического суверенитета, в указанных отраслях, требуется модернизация существующей и разработка новой силовой ЭКБ. АО «Оптрон-Ставрополь» занимается разработкой и производством силовых полупроводниковых приборов на основе кристаллов собственного производства (диодные, тиристорные, оптотиристорные).

С середины 2021 года по настоящее время, специалисты АО «Оптрон-Ставрополь» ведут разработку и постановку на серийное производство многокристальных серий диодных модулей ДМ различной мощности, фазности, различного конструктивного исполнения с использованием диффузионных технологий получения кристалла, толстоплёночных технологий, технологий групповой пайки кристаллов с использованием разных видов печей, лазерных технологий и многих других. В середине 2022 года были разработаны компактные 3-х фазные диодные модули ДМ3.3-50-16 с диэлектрическим, алюминиевым основанием (подложкой), с применением металлизированных теплопроводных керамических подложек AL2O3 и ALN, на токи от 10 до 100 А напряжением до 1600 В (рисунок — 1).
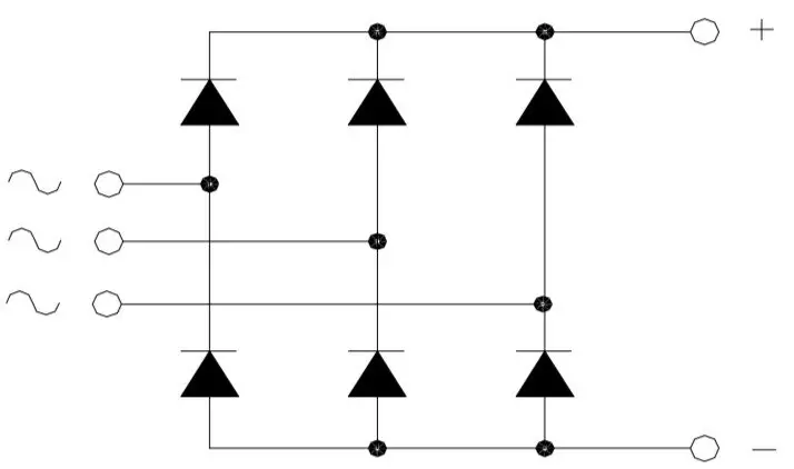
Разработанные 3-х фазные диодные модули являются аналогом силовых выпрямительных мостов MTS 50.16 SS5 — 50A 1600V SCOMES, имеют аналогичную электрическую схему подключения (рисунок — 2).

Электрическая схема подключения ДМ3.3-50-16
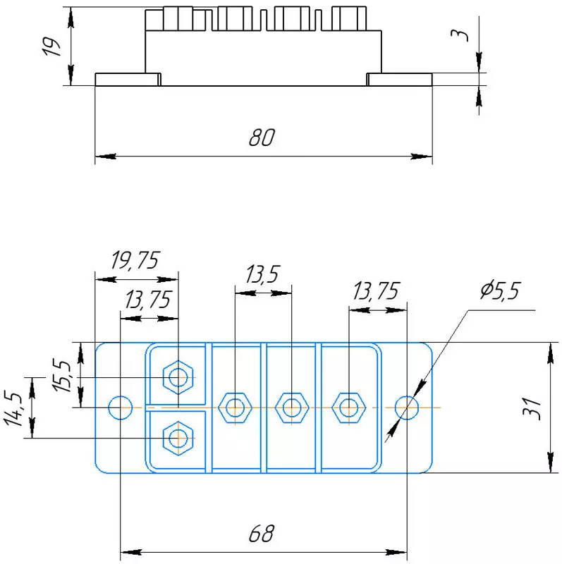
В части массогабаритных и электрических характеристик диодные модули ДМ3.3-50-16 имеют лучшие параметры в отличии от оригинала MTS 50.16 SS5 — 50A (рисунок — 3, таблица — 1).


Рисунок № 3 — Габаритно-присоединительные размеры а) ДМ3.3-50-16,
б) MTS 50.16 SS5
Таблица № 1 — Сравнительная таблица параметров и массы диодного модуля ДМ3.3-50-16 с диодным мостом MTS 50.16 SS5
№ |
Наименование |
Условия |
ДМ3.3-50-16 |
MTS 50.16 SS5 |
1 |
Пиковое падения напряжения, VFM |
IF=100 А, при Т=25 0С |
1,1 В |
1,7 В |
2 |
Максимальный обратный ток, IRRM |
V = VRRM |
4 мА |
4 мА |
3 |
Минимальная и максимальная температуры перехода, Tjmax |
-50/160 0С |
-40/150 0С |
|
4 |
Вес, W |
67,3 г |
85 г |
Диодные модули ДМ3.3-50-16 производятся в модифицированном корпусе FIX5-НР-Р68-ТА. В зависимости от повторяющегося импульсного обратного напряжения модули подразделяются на классы (таблица — 2).
Таблица № 2 - Классы диодных модулей ДМ3.3-50-16
№ |
P/N |
VRRM |
VRSM |
1 |
ДМ3.3-50-4 |
400 |
450 |
2 |
ДМ3.3-50-6 |
600 |
670 |
3 |
ДМ3.3-50-8 |
800 |
900 |
4 |
ДМ3.3-50-10 |
1000 |
1120 |
5 |
ДМ3.3-50-12 |
1200 |
1340 |
6 |
ДМ3.3-50-14 |
1400 |
1570 |
7 |
ДМ3.3-50-16 |
1600 |
1800 |
8 |
ДМ3.3-50-18 |
1800 |
2020 |
9 |
ДМ3.3-50-20 |
2000 |
2250 |
Цены на диодные модули ДМ3.3-50-16 в 1.7 раза ниже оригинала MTS 50.16 SS5, гарантия 2 года.
Данные приборы будут представлены в течение 2024 года, на выставках: «Экспо Электроника 2024», «Форум Армия 2024», «Weldex 2024». Уровень локализации разработки и производства 100% отечественный.
Технологии, комплектующие, оборудование и материалы, использующиеся при разработке и производстве силовых полупроводниковых приборов на АО «Оптрон-Ставрополь», являются отечественными и разработаны инженерным составом АО «Оптрон-Ставрополь». Все приборы имеют гарантийный срок эксплуатации от 2-х лет. АО «Оптрон-Ставрополь» осуществляет разработку (в рамках ОКР и НИОКР) и производство различных силовых, оптоэлектронных полупроводниковых изделий по ТЗ заказчика.
Кстати, а вы знали, что на «Сделано у нас» статьи публикуют посетители, такие же как и вы? И никакой премодерации, согласований и разрешений! Любой может добавить новость. А лучшие попадут в наш Телеграм @sdelanounas_ru. Подробнее о том как работает наш сайт здесь👈
mikr21.04.24 10:17:24mikr21.04.24 11:07:01mikr21.04.24 11:39:07mikr21.04.24 11:53:53mikr21.04.24 15:31:16